Integrating Sphere Fundamentals and Applications
An integrating sphere collects electromagnetic radiation from a source usually external to the optical device, usually for flux measurement or optical attenuation. Radiation introduced into an integrating sphere strikes the reflective walls and undergoes multiple diffuse reflections. After numerous reflections, the radiation is dispersed highly uniformly at the sphere walls. The resulting integrated radiation level is directly proportional to the initial radiation level and may be measured easily using a detector.
Ophir's general purpose spheres are designed as cost effective spheres to be configured in various ways for a variety of applications. With an extensive line of accessories available, a single sphere can perform various integrating sphere tasks such as uniform illumination, light measurement, and reflectance measurement with reasonable accuracy. Ophir spheres offer a convenient choice for integrating sphere light measurement and light characterization.

Sphere Materials
The IS-1 and IS6 integrating spheres use a solid PTFE type reflectance material and the 3A-IS uses the sprayed on BaSO4 material. The PTFE material exhibits very high diffuse reflectance over the 250 - 2500 nm spectral range with reflectance greater than 99% between 400 nm and 1500 nm.

Advantages of Integrating Spheres for Light Measurement
Integrating spheres have the following advantages over other light measurement methods:
- They can measure divergent beams to over 45º that other methods cannot.
- They can measure relatively high powers (up to 30 W with the IS6-VIS) but have much larger dynamic range than thermal sensors so the same IS6-VIS can also measure down to microwatts.
- Integrating spheres can measure large size low power beams (such as 60mm beams at tens of uW with the IS6)
- Integrating spheres are insensitive to beam alignment or coherence
- Because of their reflective surface, they have a high damage threshold, especially to short pulses
- Integrating spheres can be used to make simultaneous measurements of power, spectrum and temporal pulse shape.
- Integrating spheres have the fast response time of photodiodes but can measure high powers like thermal sensors
- Integrating spheres are flexible being configurable to measure many ways (as described below).
The Ophir IS6 Integrating Sphere Family
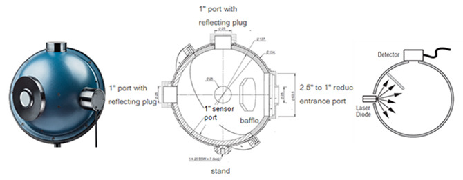
We will now describe the configurable Ophir IS6 5.3" integrating sphere. The port size and locations on the integrating sphere are important considerations when selecting a sphere for the intended applications. A sphere port adds functionality to an integrating sphere, but at the same time, diminishes the uniformity of the light distribution inside the sphere. The ratio of the total port area to the area of the internal wall of a sphere is called the port fraction. The port fraction parameter constitutes a measure of sphere performance in accuracy. An integrating sphere with a low port fraction provides better performance than a high port fraction sphere.
The Ophir IS6 Integrating Sphere Family

Each port on an integrating sphere has a specific function and the improper use of any port will generate inaccurate measurement results. Some ports provide a single function; some ports provide multiple functions. All IS6 integrating spheres can be used for collimated and divergent light measurement applications. The 4-port integrating spheres can also provide a diffuse reflectance/transmittance measurement capability as illustrated below.
Divergent Beam Measurements with the IS6
Divergent beams are defined here as beams with more than ±15º divergence. It such a case the sphere has to be arranged that the internal baffle should block the detector from direct exposure to the light source. The baffle is made of the same reflecting PTFE material as the other reflective surfaces.

Schematically the operation of the divergent arrangement is as shown above.
Collimated beams are defined here as beams with less than ±15º divergence. It such a case there is a need to block the area where the beam hits the sphere wall from the sensor so the arrangement is as follows:

Fiber Optic Measurement

By replacing the front flange of the sensor with a fiber optic adapter, the integrating sphere is easily used be measure fibers. These fiber optic adapters are available for all models of Ophir spheres. Because the typical output from an optical fiber is slowly diverging, the first reflection spot at the opposite side of the source is not highly concentrated. Therefore, often either collimated beam configuration or the divergent configuration is fine. However, in case of lensed fiber, the divergent beam configuration is recommended due to the increased NA of the fiber. In case of using a fiber collimator, the collimated beam configuration is recommended.
Transmission

Transmittance can be measured by using the IS6 integrating sphere to collect transmitted radiation from a sample held in the entrance port. The sample is irradiated, and then compared with a direct source measurement without the sample. A baffle is used to shield the detector from non-integrated transmission. The measurement may be affected by the sample being close to the input port so note below how to correct for this using the auxiliary LED. If you are interested in only the narrow angle transmission, mount the sample further away from the entrance port.
Reflection

To measure reflectance, a sample is held opposite the input port and irradiated by an incident beam through the entrance port. Total reflected radiation is spatially integrated by the sphere and measured by a baffled detector. Using a normal-incidence sample holder, which reflects the specular beam back out of the input port, can eliminate the specular component of the reflective radiation. The reflectance of a sample relative to a known standard can be calculated by measuring both and taking their ratio. The sample and standard should have a similar reflectance to avoid errors caused by sample reflectivity.
Spectrum and Temporal Pulse Shape

The 3A-IS and IS6 have accessory ports 90 to the detector port for additional measurements. A fiber output can be taken from this extra port to measure spectrum on a spectrometer or temporal pulse shape on a fast photodiode or both.
Accessories available for the IS-6

The caps, plugs and adapters available for the IS6 to make the varied measurements described above are shown here.

Calibration
Ophir integrating spheres with detectors are calibrated over their specified spectral range. The IS-1 and 3A-IS models have an integral detector and the flexible IS6 offers several models with the optical sensor as an integral part of the system precisely calibrated together with the integrating sphere. The IS6 is also available uncalibrated for applications where the customer wants to use his own sensor and setup or does not need a sensor such as when using the sphere as a uniform light source. The integrating spheres are in general calibrated with a light source that is located far from the port so that it does not affect the reflective geometry of the sphere. When measuring a source of light that is located at or close to a sphere port, any reflective (or even partially reflective surfaces on the light source will contribute to the reflective surface area of the sphere, changing its calibration to read higher than it should. Therefore, light sources should be kept as far as practical from the sphere port and its surfaces should be as non-reflecting as possible. If this is not possible, see below.
